首页
光纤传感器
M3光纤
M4光纤
M6光纤
高温光纤
玻璃光纤
石英光纤
矩阵光纤
U型光纤
光纤放大器
接近开关
方形接近开关
圆管型接近
90度接近开关
环形接近开关
静电容接近
光电开关
小型光电
槽型光电
U型光电开关
90度光电开关
长距离光电
圆管型光电开关
激光型光电
工业仪表
计数计米器
计时累时器
转速线速表
智能温控表
SSR固态继电器
SCR可控硅
新闻动态
公司信息
行业新闻
资料下载
知识问答
关于我们
招贤纳士
联系我们
13922952859
首页
光纤传感器
M3光纤
M4光纤
M6光纤
高温光纤
玻璃光纤
石英光纤
矩阵光纤
U型光纤
光纤放大器
接近开关
方形接近开关
圆管型接近
90度接近开关
环形接近开关
静电容接近
光电开关
小型光电
槽型光电
U型光电开关
90度光电开关
长距离光电
圆管型光电开关
激光型光电
工业仪表
计数计米器
计时累时器
转速线速表
智能温控表
SSR固态继电器
SCR可控硅
新闻动态
公司信息
行业新闻
资料下载
知识问答
关于我们
招贤纳士
联系我们
我的位置:
首页
>
工业仪表
>
计数计米器
工业仪表
工业仪表
01 / 计数计米器
02 / 计时累时器
03 / 转速线速表
04 / 智能温控表
05 / SSR固态继电器
06 / SCR可控硅
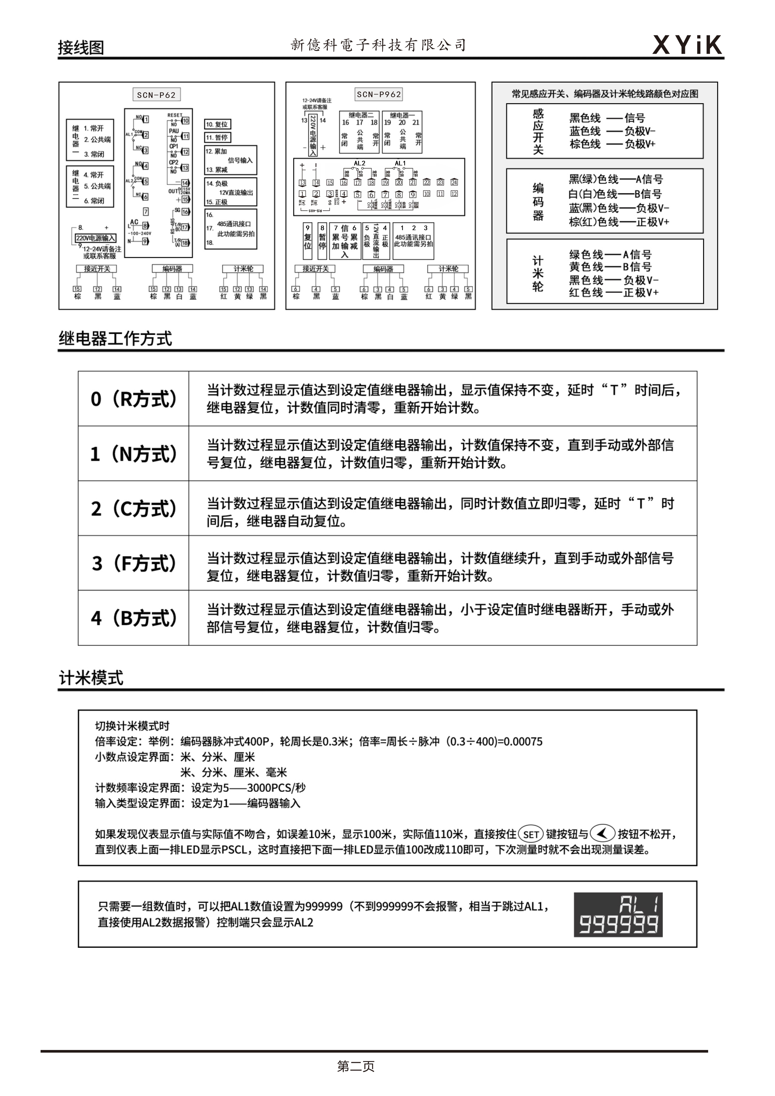
SCN-PS62-2A/SCN-P9S62-2A计数计米器
产品型号:SCN-PS62-2A/SCN-P9S62-2A
工作电压:AC90~240V
工作温度:-40℃~+70℃
防护等级:IP65
说明书下载:
点击此处下载说明书
上一篇:暂无
下一篇:SCN-P62-2A/SCN-P92-2A计数计米器
相关产品
SCN-P62-2A/SCN-P92-2
计数计米器
SCN-PS62-2A/SCN-P9S6
计数计米器
相关新闻
查看更多
耐高温接近开关
接近传感器故障怎么处理
什么是接近传感器
SCN-PS62系列说明书
13922952859